-
Вентиляционные заглушки аккумуляторов: небольшое устройство, большое влияние на безопасность аккумуляторов
В мире технологии аккумуляторов, it's часто наименьшие компоненты, которые имеют наибольшее значение. В данном случае: вентиляционные заглушки аккумулятора. Эти незапланированн...- Industry news
- Принято: JinHan
- Nov 20,2023

-
Оценка качества сепаратора батареи PE в свинцово-кислотной батарее включает в себя оценку нескольких ключевых факторов:
Оценка качества сепаратора батареи PE в свинцово-кислотной батарее включает в себя оценку нескольких ключевых факторов:1. Высококачественные сепараторы PE изготавливаются из в...- Industry news
- Принято: JinHan
- Nov 13,2023

-
Как оценить качество дисков фильтра аккумуляторов
При оценке качества Диски фильтра аккумуляторовЕсть несколько факторов, которые вы можете рассмотреть. Ниже приведены некоторые ключевые аспекты для оценки качества дисков фил...- Industry news
- Принято: JinHan
- Nov 06,2023

-
Каковы преимущества сепаратора ПВХ сио2 по сравнению с обычным сепаратором ПВХ
Сепараторы ПВХ SiO2 Считается, что положение улучшилось по сравнению с обычными сепараторами ПВХ благодаря включению наночастиц диоксида кремния (SiO2). Ниже приводятся некото...- Industry news
- Принято: JinHan
- Oct 30,2023

-
Различия между сепаратором ПВХ SIO2 и сепаратором PE
В настоящее время Отделитель ПВХ SiO2 И PE (полиэтиленовый) сепаратор два различных типа сепараторов, используемых в батареях. Вот основные различия между ними: &nbs...- Industry news
- Принято: JinHan
- Oct 23,2023

-
Лучше ли использовать аккумулятор электромобиля с водяным аккумулятором или сухим аккумулятором?
Что касается вопроса о Том, лучше ли использовать аккумулятор электрического транспортного средства с водяным аккумулятором или сухим аккумулятором, то:Водяная батарея сама по себе...- Industry news
- Принято: JinHan
- Oct 16,2023

-
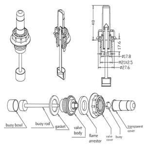
Важность установки пламегасителей батарей на свинцово-кислотных батареях
Установка на компьютер Пламегаситель аккумуляторной батареи Что касается свинцово-кислотных аккумуляторных батарей, то они имеют важное значение по ряду причин:Безопаснос...- Industry news
- Принято: JinHan
- Oct 09,2023

-
Как работает волшебный глаз аккумулятора
В настоящее время Волшебный глаз аккумулятораТакже известный как гидрометр глаза или индикатор степени заряженности, является небольшим устройством, обычно встречается на авто...- Industry news
- Принято: JinHan
- Oct 02,2023

-
Как выбрать индикатор уровня воды аккумулятора
При выборе индикатора уровня воды аккумулятора необходимо учитывать несколько факторов. Вот некоторые ключевые моменты, которые следует иметь в виду:Совместимость: убедитесь, что&n...- Industry news
- Принято: JinHan
- Sep 25,2023

-
Вы знаете о важности сепаратора трубчатых рукавиц аккумуляторов?
В настоящее времяРазделитель перчатокЯвляется важным компонентом, который играет решающую роль в функционировании трубных батарей. Здесь и далее#39; некоторая информация о его важн...- Industry news
- Принято: JinHan
- Sep 18,2023

-
Структура и условия использования отделителя PE
Роль организации объединенных нацийОтделитель PE Состоит в разъединении положительных и отрицательных пластин, которые полагаются друг на друга для предотвращения короткого замыкан...- Industry news
- Принято: JinHan
- Sep 11,2023

-
Использование аккумуляторов AGM
AGM батарея-герметичная свинцово-кислотная батарея, изготовленная с использованием технологии абсорбирующего стеклянного ковра. Его полное название — батарея из абсорбирующего стек...- Industry news
- Принято: JinHan
- Sep 04,2023


Английский язык
Русский язык
На португальском языке
Арабский язык
На бенгальском языке
Индонезийский язык




